產品中心
Product Center
量程從60Pa到5KPa,精度±2%FS.同時提供機械式差壓指示和兩線制4-20mA電流輸出
BESTACE P605系列指針式差壓變送器,利用簡單、無摩擦的磁體螺旋運動,以橡膠膜片作為敏感元件而進行測量,能利用指針迅速指示出被測氣體的壓力,無論是正壓、負壓或差壓。此設計具有防震、晃動和過壓的功能。而且表內無需充注液體,也就沒有氣化、凍結、異味的問題出現。在此技術上,又增加了射頻式非接觸位移測量技術,將膜片的位移量轉化為標準的4-20mA電流輸出。P605是機械表和變送器的二合一產品,同時提供清晰易讀的指針指示和標準兩線制4-20mA電流輸出功能 , 在斷電的情況下也不會影響讀數。
產品應用
潔凈室
過濾器阻力
風扇、鼓風機壓力
風速、爐壓等
機械式微差壓表,微差壓變送器二合一
磁螺旋射頻式非接觸技術
清晰易讀的4"大表盤
4-20mA標準兩線制輸出
±2%FS精度
差壓/正壓/負壓/正負壓皆可
機械表性能指標
介質 空氣、不可燃和兼容性氣體
量程 0-60Pa到0-5KPa
精度 ±2%FS(60 Pa 和 125 Pa 為 ±4% FS)
外殼材質 壓模鑄鋁或含尼龍的ABS 塑料
穩定性 ±1% FS/年
壓力極限 100KPa
溫度范圍 -7-60℃
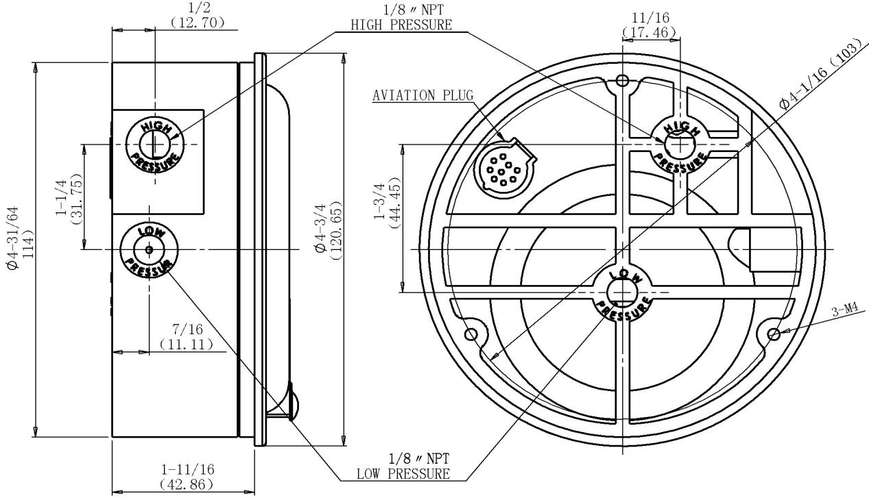
過程連接 高壓和低壓孔均為 1/8" 錐管螺紋,兩組
過壓 約172 kPa時橡膠過壓塞被沖開
尺 寸 4"大表盤
重 量 460g(壓模鑄鋁),275g(ABS)
標準附件 2個1/8″NPT堵頭
2個1/8″螺紋橡膠管接頭
3個帶螺釘的嵌入式安裝螺釘卡
變送器性能指標
精度 ±2%FS(包括非線性、遲滯、重復性)
溫度范圍 -7-60℃
溫度漂移 0.05%FS/℃
供電電源 12-30 VDC
電流輸出 4-20mA
零點調整 與機械調零同時進行
回路阻抗 最大0-1250Ω
最大電流 30mA
電氣連接 塑料航空插頭
選型示例 P605-11
含義:P605-量程代碼
量程代碼表
英寸水柱(單向) | Pascal(單向) | ||
量程代碼 | 說明 | 量程代碼 | 說明 |
11 | 0.05-0-0.20 in.W.C | 21 | 0-60Pa |
12 | 0-0.25 in.W.C | 22 | 0-100Pa |
13 | 0-0.50 in.W.C | 23 | 0-125Pa |
14 | 0-1.0 in.W.C | 24 | 0-250Pa |
15 | 0-2.0 in.W.C | 25 | 0-300Pa |
16 | 0-3.0 in.W.C | 26 | 0-500Pa |
17 | 0-4.0 in.W.C | 27 | 0-750Pa |
18 | 0-5.0 in.W.C | 28 | 0-1KPa |
19 | 0-6.0 in.W.C | 29 | 0-3KPa |
1A | 0-8.0 in.W.C | 2A | 0-4KPa |
1B | 0-10 in.W.C | 2B | 0-5KPa |
1C | 0-15 in.W.C | Pascal(雙向) | |
2C | 60-0-60Pa | ||
2D | 125-0-125Pa | ||
2E | 250-0-250Pa | ||

