產品中心
Product Center
獨特新穎的設計,差壓/溫度/濕度同時測量的差壓表
BESTACE P2000H系列差壓表,在傳統差壓表外殼中集成了新的功能。允許用戶有三種現場工作模式選擇:
1 差壓測量和高壓端溫度濕度測量;
2 差壓測量和環境溫度濕度測量;
3 只測量差壓,不帶溫度濕度測量。
應用及案例
P2000H非常適合在監測潔凈室或過濾器差壓的同時還監測溫濕度,功能增加但并不導致用戶采購成本的增加。
產品特色
● 差壓、溫度、濕度測量于一體
● 清晰易讀的4"大表盤
● 指示精度為2% F.S
● 差壓、正壓、負壓、正負壓皆可
● 三年質保期,免費更換
量 程 30Pa——30kPa,有85種
精 度 差壓標準為±2% F.S
(30Pa~125Pa為±4% F.S)
溫 度 ±4%(0~50℃)
濕 度 ±4%(20%~90%RH)
環境溫度 -7~60℃
額定壓力 -68~100kPa
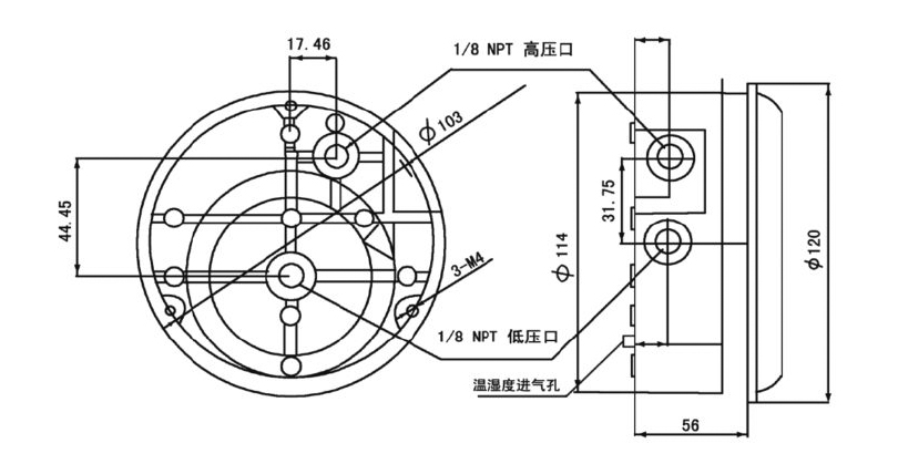
過程連接 高壓和低壓孔均為1/8″錐管螺紋,兩組(側面和背面各一組)
外殼材質 壓模鑄鋁或含尼龍的ABS塑料
重 量 約460g(鋁)
約275g(ABS)
標準附件 2個1/8″NPT堵頭
2個1/8″螺紋橡膠管接頭
3個帶螺釘的嵌入式安裝螺釘卡
● 可調信號標志選項(免費)
裝在釋放塞下面的黑色指針可用于在現場標記出臨界壓力,以提示操作人員臨界壓力點
● 前面板加裝過壓釋放塞(免費)
由硅橡膠制成,為額定壓力為15PSI的差壓表提供過壓保護。在約25PSI時打開
● 低成本ABS外殼
在大批量低成本的應用中,可選ABS外殼
● 低溫選項
專用于在低溫環境下使用,低可達-40℃
● 中/高壓應用(可承受35和80PSI的壓力)
不帶過壓釋放塞,殼體規格27×63.5mm
● 靜壓探頭測量選件
提供6″,8″,12″三種長度的靜壓探頭
● 安裝支架選件,均可選塔形接頭
嵌入式/表面式/管道式三種支架
● 可選天然氣
專用于天然氣的膜片和表罩,規格27×63.5mm
● 紅/黃/綠彩色
表盤采用醒目的顏色標出重要壓力區域,需定制
1
1

1
1
選型示例 P2000H-30PA-GS-A300
含 義 基本型號 - 量程代碼 - 選項1 - 選項2 - ...
